Volver al resumen

Tetra Therm

Tetra Therm Lacta C8

Assortment
Intercambiadores de calor
Categoría
Intercambiadores de placas
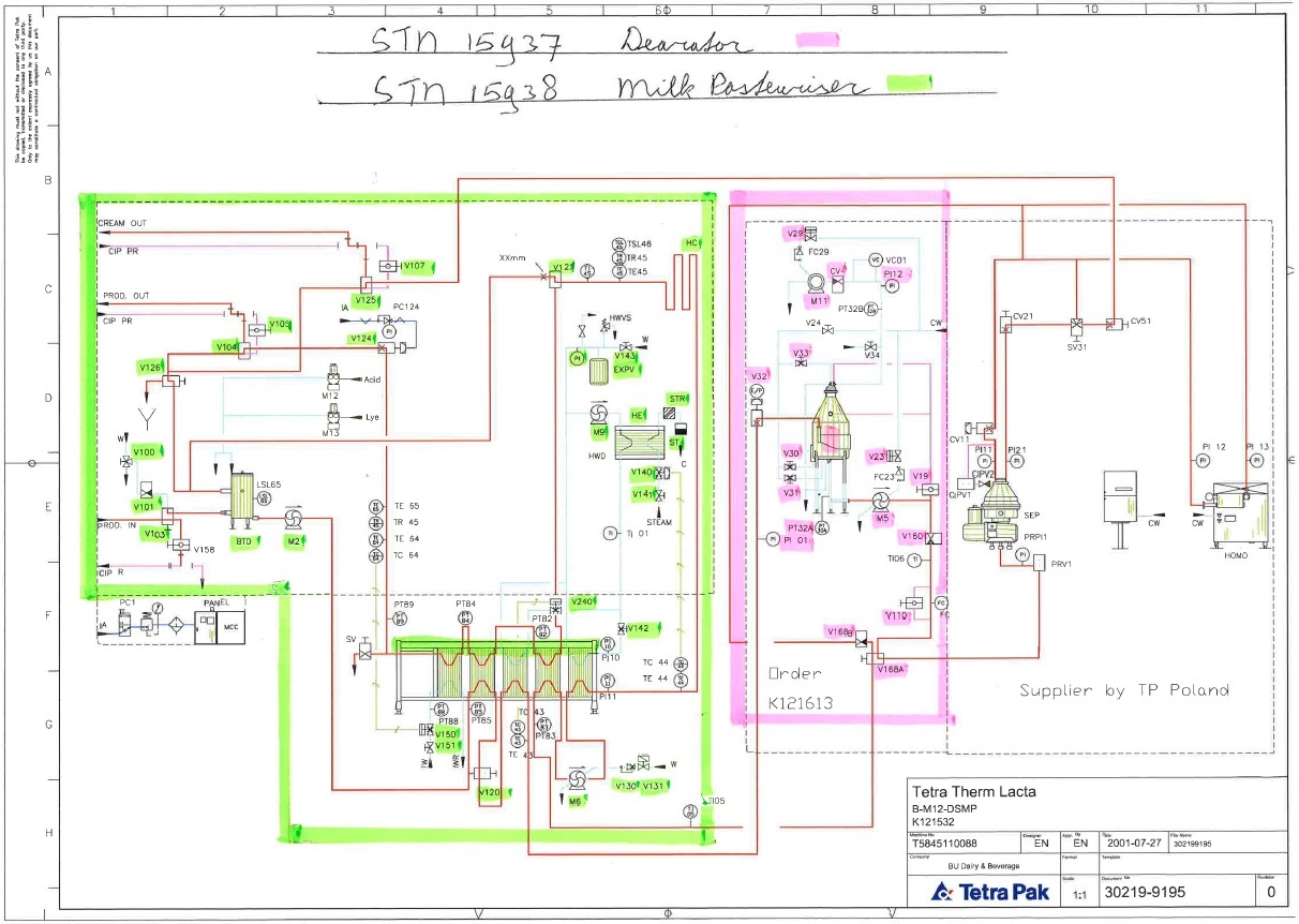
Número de stock
STN15938
Tipo
Lacta C8
Año de construcción
2001
Capacidad
12.000 liter per hour
Milk pasteuriser skid mounted, Model Tetra Therm lacta with balance tank, pumps (1 x flushed seal), holding and Alfa Laval C8-SR plate heat exchanger, 4 sections, thermal cycle 4-55 (out separator)-65 (out deaerator)-75 (holding)-4°C. P&ID and documentation: electrical diagram included. Dimensions skid: 250x110x300 (lxwxh) cm weight: 605 kg - plate heat exchanger weight: 1.571 kg.

¿Puede LDFE ayudarme con la instalación?

Sí, si lo desea nuestros mecánicos pueden instalar el equipo en sus instalaciones. Además, podemos ofrecer asistencia a distancia dando instrucciones por videollamada o control remoto (cuando esté instalado).

¿Qué significan las condiciones "reacondicionado", "buen funcionamiento" y "tal cual"?

Podemos ofrecer nuestra maquinaria en tres condiciones: "reacondicionada", "buen funcionamiento" y "tal cual". "Reacondicionado" se refiere a una revisión completa de una máquina usada para darle una segunda vida. Nuestro procedimiento estándar a la hora de renovar completamente una máquina usada es:

  • Desmontaje hasta el marco: granallado y pulverización de componentes de acero
  • Desgaste de todos los componentes: sustitución de rodamientos, casquillos y juntas.
  • Reemplazo de componentes dañados o desgastados.
  • Nuevos sistemas de cableado y control (últimas actualizaciones)
  • garantía de 6 meses
  • Suministro de repuestos garantizado durante 5 años.
  • Opcional: supervisión de la puesta en marcha y formación del operador.
  • Opcional: marcado CE
  • Opcional: modificaciones personalizadas

Comprar una máquina que funcione bien es una solución más económica. En esta condición, no revisamos completamente la máquina, pero hacemos los trabajos necesarios para que la máquina esté en condiciones de funcionar. La máquina se prueba en nuestro taller y los componentes sólo se reemplazan si es necesario. Este precio siempre está sujeto a condiciones, ya que en ocasiones durante las pruebas se hace evidente que hay un fallo costoso. Si este es el caso, el comprador recibe una cotización de los costos adicionales y también tiene la opción de cancelar la compra.

Las máquinas casi siempre se venden en fábrica y se pueden utilizar en las mismas condiciones en las que las compramos: "tal cual". Sin embargo, la máquina no ha sido inspeccionada por nosotros y no hay garantía de su estado actual. Siempre recomendamos que una máquina sea inspeccionada antes de comprarla y solo comprarla "tal cual" si tiene un conocimiento profundo de las máquinas. Siempre podremos informarle si compramos la máquina en condiciones de funcionamiento o si ya estaba fuera de servicio. La documentación no siempre está incluida y solo se puede proporcionar si estaba presente en el momento de la compra.

¿Puedo confiar en las máquinas usadas?

Trabajamos con máquinas usadas desde 1996 desde el mismo lugar donde iniciamos el negocio y seguimos creciendo cada año. Si surge un (pequeño) problema, también intentamos encontrar una solución con nuestros clientes. Siempre hemos sido un socio fiable gracias a nuestra experiencia con maquinaria usada.

¿Puede LDFE ofrecer también máquinas nuevas?

Sí, en particular equipos de proceso como pasteurizadores, equipos de estandarización, unidades CIP, unidades de queso UHT, etc. También es posible una forma híbrida de nueva y reconstrucción.

¡Contáctenos!

Contactgegevens

+31(0)348-558080
info@lekkerkerker.nl

Dirección

Handelsweg 4
3411 NZ Lopik, The Netherlands

Horario de apertura

Lunes a jueves: 07.30 - 17.00 UTC+1
Vie: 07.30 - 16.30 UTC+1